3051LT法蘭式液位變送器
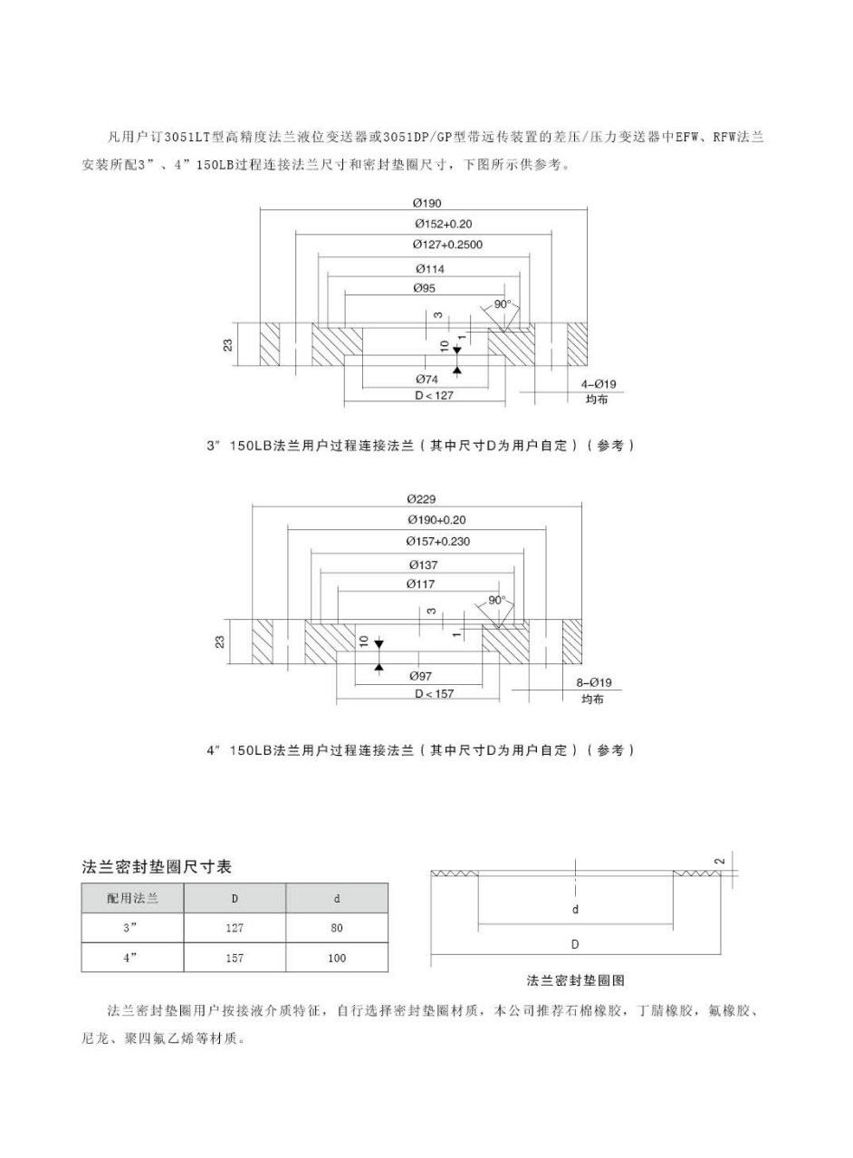
3051LT型高精度法蘭式液位變送器的安裝法蘭標準按ANSL ,法蘭有3"和4"規格,法蘭等級為150LB(2.5MPa),法蘭安裝尺寸見下圖表。如用戶采用GB116-88標
- 電 話:0550-7623999 7623888
- 傳 真:0550-7623199轉0
- 郵 箱:xinguo@xinguo.net
產品描述
3051LT法蘭式液位變送器:
3051LT型高精度法蘭式液位變送器的安裝法蘭標準按ANSL ,法蘭有3"和4"規格,法蘭等級為150LB (2.5MPa),法蘭安裝尺寸見下圖表。如用戶采用GB116-88標準,DN =80、 PN =2MPa請注明。按液膜片材料有316L、哈氏 C -276、蒙乃爾、鉭等。用戶不注明時以3” 150LB安裝法蘭及接液膜片材料316L供貨 。
法蘭密封墊圈用戶按接液介質特征,自行選擇密封墊圈材質,本公司推薦石棉橡膠,丁腈橡膠,氟橡膠,尼龍,聚四氟乙烯等材料。



瀏覽:
上一篇:3051DR高精度微差壓變送器
下一篇:3051SP負壓力變送器





