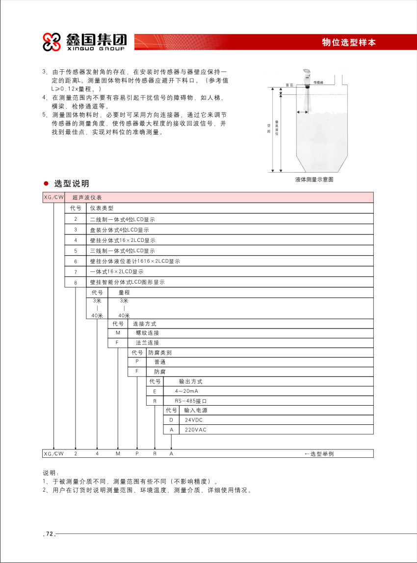
分體式超聲波物位計
XG /CW300分體式超聲波物位儀:
主要參數:
電源:AC220v
輸出:4-20mA
量程:0-40m
控制:二路繼電器
盲區:0.3~1.0m
分辨率:量程<10m:1mm;量
- 電 話:0550-7623999 7623888
- 傳 真:0550-7623199轉0
- 郵 箱:xinguo@xinguo.net
產品描述
分體式超聲波物位計:
XG /CW300分體式超聲波物位儀:
主要參數:
電源:AC220v
輸出:4~20mA
量程:0~40m
控制:二路繼電器
盲區:0.3~1.0m
分辨率:量程<10m:1mm;量程≥10m:1cm
精度:0.25%,0.5%
環境溫度:變送器:﹣25℃~50℃;傳感器:﹣25℃~80℃
防護等級:變送器:IP65;傳感器:IP67
顯示方式:4位 LCD
XG /CW400、 XG /CW400A分體式超聲波物位儀:
主要參數:
電源:AC220v,DC24V
輸出:4~20mA(16位 D / A 轉換),RS485
量程:0~40m
控制:四路繼電器
自區:0.3~1.0m
精確度:0.25%,0.5%
環境溫度:變送器:﹣25℃~50℃;傳感器:-25℃~80℃
防護等級:變送器:IP65;傳感器:IP67
傳感器發射角度:10°~12°
分辨率:量程:≤15m:1mm;量程>15m:1cm
顯示方式:16位x2LCD背光
XG /CW800分體式超聲波物位儀:
主要參數:
電源: AC -220v
輸出:4~20mA(16位 D / A 轉換),RS485
量程:0~40m
控制:四路繼電器
盲區:0.3~1.0m
精確度:0.25%,0.5%
環境溫度:變送器:-25℃~50℃;傳感器:-25℃~80℃
XG /W600型超聲波雙通道液位計,液位差計:
主要參數:
電源:AC -220v
輸出:4~20mA(液位差),RS485
量程:0~20m
控制:四路繼電器,可編程(液位差)
盲區:0.3~0.6m
精確度:0.3%




瀏覽:
上一篇:CW系列一體化超聲波物位計
下一篇:智能雷達物位儀





